|
|
|
|
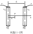
例题 04-11-05 设有半径皆为 r 的两条平行的"无限长"直导线 A、B,其间相距为d (d>>r),且充满电容率为ε的电介质。求单位长度导线的电容。
解:先假设两条导线A、B均匀带电,线电荷密度分别为+λ和-λ,沿垂直于两导线的方向取x轴(如图),原点O取在导线
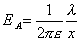
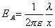
A 的轴线上。按有电介质时静电场的高斯定理,可求出这两条"无限长"均匀带电直导线在两导线间的任一点P所激发的场强,其大小分别为:
,
式中,x为点P的坐标。由于EA和EB同方向,均指向x轴正方向,故点P的总场强大小为:
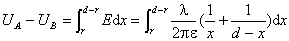
两导线 A、B 之间的电势差为:

( 因为 d>>r)由该两导线(相当于两极板)构成的电容器,其单位长度的电容为:

设r=2mm ,d=5cm;电介质为空气,即 ,代入上式,得平行的"无限长"直导线上单位长度的电容为:
可见此电容值是极其微小的。
[注意] 如本节开头所指出的那样,任何导体之间实际上都存在着电容。不仅象本例所述的导线与导线之间存在电容,就是导线与电器元件、金属外壳之间也都存在着电容。这些电容在电子技术和电工学中通常叫做分布电容。一般情形下,分布电容值甚小,可忽略不计(见本例的计算结果)。但在布设高频设备中的电子线路时,应考虑分布电容的影响。
|
|